Opis
Točkasti držač stakla poseban je arhitektonski element koji se koristi za pričvršćivanje staklene ispune na okvir ili strukturu bez potrebe za tradicionalnim držačima. Ovi držači obično imaju okrugli ili kvadratni oblik koji se učvršćuje na podlogu i drži staklo malom kontaktnom točkom.
Njihov minimalistički dizajn eliminira potrebu za opsežnim okvirima ili ukrasnim profilima, čime omogućuju maksimalno propuštanje svjetlosti i stvaranje osjećaja otvorenosti prostora. Ovo ih čini idealnim rješenjem za moderne i minimalističke arhitektonske primjene.
Posebno su popularni u unutarnjim i vanjskim instalacijama poput ograda, balustrada, vrata, zidova i drugih konstrukcija gdje se traži moderan i elegantan izgled.

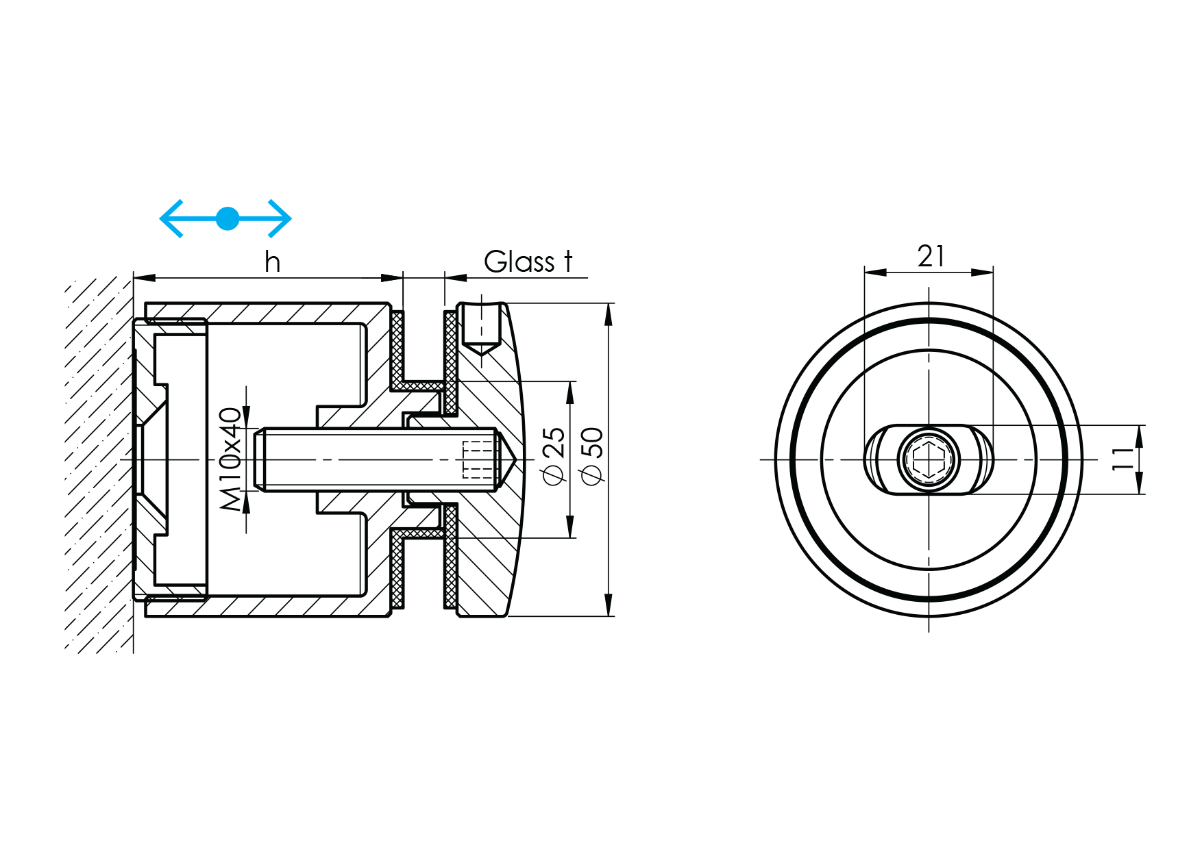
- za stakla: 8 – 18 mm
- rupe na staklu: Ø30mm
- D= 50 mm
- d= 25 mm
- h= 42-47 mm







